WS系列圓柱蝸桿減速機-蝸桿減速器

WS型圓柱蝸桿減速機適用范圍
適用范圍
WS型圓柱蝸桿減速器適用(蝸桿上置)WD(蝸桿下置)適用于蝸桿嚙合處滑動速度不大于7.5m/s;蝸桿速度不超過1500r/min;工作環境溫度為-40~+40℃;并可正、反方向運轉的場合。
WS型圓柱蝸桿減速器是圓柱蝸桿減速器。其特點是傳動比大、結構緊湊、體積小、噪音低、運行穩定并具有良好的自鎖性。
本蝸桿減速器的蝸桿采用45優質碳素鋼,并經調質處理。蝸輪用ZQAL9-4鋁青銅鑄造,對于輸入的軸間支承采用圓錐滾子軸承,出軸端裝有骨架油封,防止漏油,延長使用壽命。
本蝸桿減速器主要適用于冶金、礦山、起重、運輸、化工、建筑、紡織、輕工等各機械設備的減速傳動,尤其對車站碼頭、倉庫等移動式起重設備,卷揚提升更為適宜。適用于蝸桿嚙合處滑動速度不大于7.5m/s
WS型圓柱蝸桿減速器實體模型



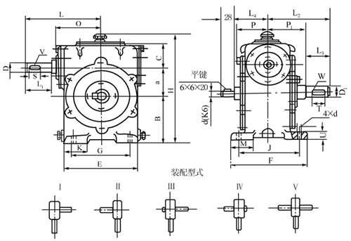
WS型圓柱蝸桿減速器(80~120)安裝尺寸
WS型圓柱蝸桿減速器(150~360)安裝尺寸
上一篇: CWU蝸輪蝸桿減速機
下一篇: WD圓柱蝸桿減速機-蝸桿減速器
